热搜关键词:力传感器、显示控制仪表、便携式测力仪器
您当前的位置: 首页 > 产品中心 > 测力传感器 > 微型力传感器 > LH-Y01-20-H5 微型力传感器
LH-Y01-20-H5 微型力传感器
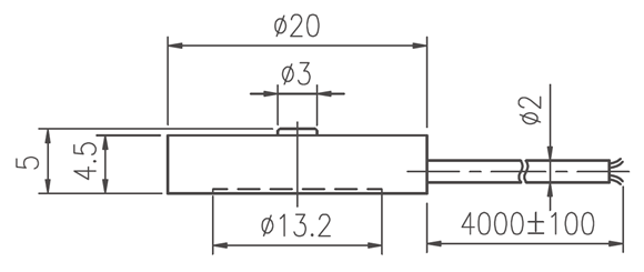
外径20,高度5,稳定性强,高速采样,具有较强的抗过载能力。主要用于按键检测,屏幕压力设备测力校准;电脑、手机元器件安装力测试等。
产品特点
LH-Y01-20-H5特点及用途:外径20,高度5,稳定性强,高速采样,具有较强的抗过载能力。主要用于按键检测,屏幕压力设备测力校准;电脑、手机元器件安装力测试等。
结构图纸
性能参数

  技术参数  

量程  

Capacity  

10, 20, 50, 100, 200, 500, 1000N  

材质  

Material  

不锈钢  

输出灵敏度  

Rated output  

1.5 ±20%  mV/V  

输出电阻  

Output Impedance  

800±20Ω  

非线性  

Non-linearity  

 0.5 % F.S.  

绝缘电阻  

 Insulation  

>5000MΩ/10VDC  

滞后  

Hysteresis  

 0.5 % F.S.  

使用电压   

Recommended Excitation  

5~10V  

重复性  

Repeatability  

 0.5 % F.S.  

最大工作电压   

Excitation max  

12V  

蠕变(30分钟)  

Creep(30min)  

0.5 % F.S.  

温度补偿范围  

Compensated Temp Range  

-10~60℃  

温度灵敏度漂移  

Temp Effect On Output  

0.1 % F.S./ 10℃  

工作温度范围  

Operating Temp Range  

-20~80℃  

零点温度漂移  

Temp Effect On Zero  

0.1 % F.S./ 10℃  

安全负载  

Safe Load  

120%  

防护等级  

Protection Class  

IP 65  

极限负载  

 Ultimate Load Limit  

150%  

输入阻抗  

Input Impedance  

800±20Ω  

电缆长度  

Cable Length  

∅2 x 4000mm  

电缆线连接方式  

Wire Connection  

Ex +: 红 (Red) ;   Ex -: 黑 (Black) ;  Sig +: 绿 (Green );  Sig -: 白 (White);        


选型表

型号

对应量程

型号

对应量程

LH-Y01-20-H5-1kg

 0-1kg 

LH-Y01-20-H5-10N

0-10N

LH-Y01-20-H5-2kg

0-2kg

LH-Y01-20-H5-20N

0-20N

LH-Y01-20-H5-5kg

0-5kg

LH-Y01-20-H5-50N

0-50N

LH-Y01-20-H5-10kg

0-10kg

LH-Y01-20-H5-100N

0-100N

LH-Y01-20-H5-20kg

0-20kg

LH-Y01-20-H5-200N

0-200N

                 LH-Y01-20-H5-50kg                          0-50kg                              LH-Y01-20-H5-500N                          0-500N 
                 LH-Y01-20-H5-100kg
                          0-100kg                              LH-Y01-20-H5-1000N                          0-1000N


支持非标定制

提供专业服务

联系方式
  • 联系热线:

    021-6998 5717
  • 图文传真:

  • 电子邮箱:

    info@lh-sensor.com

沪ICP备14018550号-1   沪公网安备31011402005022号  
上海力恒传感技术有限公司版权所有